センサー接続ゲートウェイに搭載されている各インターフェイスの詳細について説明します。
LED #
センサー接続ゲートウェイ前面にあるLEDの点灯点滅パターンについて説明します。
LEDアイコンの説明 #
| LED | 説明 |
| 赤と緑のLEDが消灯している状態を表します。 | |
| 赤と緑のLEDが点灯している状態を表します。 | |
| 赤のLEDが点灯している状態を表します。 | |
| 赤のLEDが点滅している状態を表します。(点滅周期は500ms間隔) | |
| 赤のLEDが点滅している状態を表します。(点滅周期は125ms間隔) | |
| 緑のLEDが点灯している状態を表します。 | |
| 緑のLEDが点滅している状態を表します。(点滅周期は500ms間隔) | |
| 緑のLEDが点滅している状態を表します。(点滅周期は125ms間隔) |
空欄はLEDが制御されていない状態を表します。項目間の状態変化があっても、影響しません。
LED状態一覧
| 項目 | PWR | ANT | MOB | ST | 備考 | |
| 電源断 | | |||||
| 電源入 | ||||||
| 起動中 | ANT、MOB、STの順番で繰り返し点灯 500ms間隔 | |||||
| 起動異常発生 | ||||||
| 停電発生 | 125ms間隔 | |||||
| 電源断可能状態 | ||||||
| シャットダウン処理中 | 500ms間隔 | |||||
| アンテナレベル | ||||||
| 未使用時 | ||||||
| 普通 | RSSI(-73dBm以上) | |||||
| やや普通 | 500ms間隔 RSSI(-74dBm~-83dBm) | |||||
| 中 | 125ms間隔 RSSI(-84dBm~-93dBm) | |||||
| やや弱 | 125ms間隔 RSSI(-94dBm~-109dBm) | |||||
| 微弱 | 500ms間隔 RSSI(-110dBm~-112dBm) | |||||
| 圏外 | RSSI(-113dBm以下) | |||||
| 接続状態 | ||||||
| 未接続 | ||||||
| 接続以上 | ||||||
| 2G接続 | 125ms間隔 | |||||
| 3G接続 | 500ms間隔 | |||||
| 4G接続 | ||||||
| ファームウェア更新中 | ANT、MOB、STが 同時に点滅 125ms間隔 | |||||
| ファームウェア更新完了 | ||||||
| ファームウェア更新失敗 | ||||||
DIPスイッチ #
センサー接続ゲートウェイ前面にあるコンフィグレーション用DIPスイッチで、センサー接続ゲートウェイの起動モードを設定します。
DIPスイッチアイコンの説明 #
| DIPスイッチ | 説明 |
| ON状態 | |
| OFF状態 |
- Linux起動モードのDIPスイッチ設定

- U-BootコマンドモードのDIPスイッチ設定

PUSHスイッチ #
OSを起動したあとに3秒間PUSHスイッチを押したままにすると、センサー接続ゲートウェイがパワーオフ状態になります。
パワーオフ状態が一定期間継続すると、Watchdog Timerによってセンサー接続ゲートウェイが再起動されます。これによって、コマンド操作(poweroffコマンドなど)を間違って遠隔でパワーオフしてしまった場合でも、現地に行かずに復旧させることが可能です。
DIPスイッチが「U-Bootコマンドモード」に設定されていると、PUSHスイッチを押した状態でセンサー接続ゲートウェイの電源を入れ、3秒以上PUSHスイッチを押した状態を保持すると、各種設定が工場出荷時状態に初期化されます。
なお、本機器内に保存されている設定ファイルは初期化されません。そのため、本操作を実行したあとに設定ファイルへの書き込みを実行せずに再起動すると、設定を初期化する前の設定で起動します。
CONSOLEポート #
センサー接続ゲートウェイ #
センサー接続ゲートウェイのConsoleはUSB Type-Cであるため、USB Type-Cのケーブルを使用できます。
接続先のPCによってはFT230X Basic UARTドライバのインストールが必要になります。
下記サイトでお使いの環境のドライバを選択し、指示に従ってインストールを行ってください。https://ftdichip.com/drivers/d2xx-drivers/
CONSOLEポートの通信設定については、以下の表を参照してください。
CONSOLEポート通信設定(センサー接続ゲートウェイ)
| 項目 | 内容 |
| スピード | 115200bps |
| データ | 8bit |
| パリティ | None |
| ストップビット | 1bit |
| フロー制御 | None |
RS485ポート #
センサー接続ゲートウェイでは、RS-485は端子台で提供され、インターフェイスは絶縁されていません。半二重通信が可能です。終端抵抗(120Ω)を有効・無効化が行えます。最大ボーレートは115.2kbpsまでとなります。
RS485ポートのピン番号 #

RS485ポートのピンアサイン #
| ピン番号 | ピンアサイン |
| 1 | ポート1 A(+) |
| 2 | ポート1 B(-) |
| 3 | GND |
| 4 | ポート2 A(+) |
| 5 | ポート2 B(-) |
| 6 | GND |
RS485ポートのシリアル通信仕様 #
| 項目 | 内容 |
| 通信方式 | 半二重通信 |
| 通信速度 | 1,200bps、2,400bps、4,800bps、9,600bps、19,200bps、38,400bps、57,600bps、115,200bps |
| データビット | 8bit |
| パリティ | 偶数パリティ、パリティなし |
| ストップビット | 1bit、2bit |
コネクタ部分はPHOENIX CONTACT社のプリント基板用コネクタ1841500 SPTD 1,5/ 3-H-3,5相当品です。
D IN/D OUTポート #
デジタル入力(D IN)とデジタル出力(D OUT)について説明します。
インターフェイス回路 #
センサー接続ゲートウェイには、デジタル入力(D IN)とデジタル出力(D OUT)のインターフェイスがあります。それぞれのポートは、各ピンに適合した線材を接続することで使用することができます。
D IN/D OUTポートの概要
| ポート | 説明 |
| デジタル入力(D IN) | ● D INのフォトカプラーをON状態にする場合、最低1.0mA以上の電流が必要 ● 保護素子として、内部回路との絶縁用に30Vのツェナーダイオードを実装 ● D INのフォトカプラーは、双方向発光タイプのLEDを使用 |
| デジタル出力(D OUT) | ● フォトモスリレーを使用 ● 最大電流駆動能力は100mA ● 最大オン抵抗値は2Ω ● 保護素子として、内部回路との絶縁用に30Vのツェナーダイオードを実装 ON/OFF時にサージが発生するものについては、サージ対策が必要になります。 |
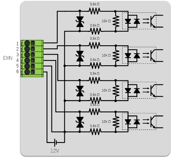
以下に、デジタル入力とデジタル出力に関連する内部インターフェイスの回路図を示します。
デジタル入力内部インターフェイス回路図

デジタル出力内部インターフェイス回路図例

ピンアサイン
センサー接続ゲートウェイのデジタル入力(D IN)とデジタル出力(D OUT)のピンアサインについて説明します。
デジタル入力(D IN)

- 絶縁された4つのデジタル入力を持ちます。
- 入力電圧は外部電源を使用する場合12V、24V共用で、正負どちらの電圧も受け付けます。
- 内部インピーダンスは約7.2 kΩです。
- コモンGNDを持ちます。
- パルスを入力する場合は最小パルス幅500usまで入力可能です。
デジタル入力(D IN)のコネクタ部分
| 設置タイプ | コネクタ部型番 |
| センサー接続ゲートウェイ(AX30) | PHOENIX CONTACT社 プリント基板用コネクタ1990779 SPT 1,5/ 6-H-3,5 |
デジタル入力(D IN)のピンアサイン
| ピン番号 | ピンアサイン | 内容 |
| 1 | D IN0 | デジタル入力0 |
| 2 | D IN1 | デジタル入力1 |
| 3 | D IN2 | デジタル入力2 |
| 4 | D IN3 | デジタル入力3 |
| 5 | DIN Common | デジタル入力 コモンGND |
| 6 | DIN 12V | 接点用12.5V±5%出力。最大10mA |
デジタル出力(D OUT)

- 絶縁された1つのデジタル出力を持ちます。
- フォトモスリレー出力で最大100mAの電流を流すことが可能です。ただし、センサー接続ゲートウェイ側では電源を供給しません。
デジタル入力(D OUT)のコネクタ部分
| 設置タイプ | コネクタ部型番 |
| センサー接続ゲートウェイ(AX30) | PHOENIX CONTACT社 プリント基板用コネクタ1990737 SPT 1,5/ 6-H-3,5 |
デジタル出力(D OUT)のピンアサイン
| ピン番号 | ピンアサイン | 内容 |
| 1 | D OUT1 | デジタル出力0(無電圧A接点) |
| 2 | DOUT Common | デジタル出力 コモンGND |
接続例
センサー接続ゲートウェイのデジタル入力(D IN)とデジタル出力(D OUT)の接続例を示します。
デジタル入力接続例
デジタルトランジスタ接続例

無電圧接点スイッチ接続例

6番ピンへのプルアップ抵抗は、各デジタル入力の電流が1.0mA以上かつ全ポートでの電流が最大10mA程度となるような値を選択してください。(例 4ポート使用時:4.7kΩ×4)
デジタル出力接続例
LED接続例

リレー接続例

A INポート #
アナログ入力(A IN)について説明します。
インターフェイス回路 #
センサー接続ゲートウェイには、アナログ入力(A IN)インターフェイスがあります。本ポートは、各ピンに適合した線材を接続することで使用することができます。
AX30-A70JP-10とAX30-B70JP-10では、各チャネルの仕様が異なります。
A INポートの概要
AX30-A70JP-10
| ポート | 説明 |
| アナログ入力(A IN) | ● 4-20mA出力のアナログセンサーを2台まで接続可能 ●デジタル回路部とは絶縁仕様(ただしチャネル間は非絶縁) |
AX30-B70JP-10
| ポート | 説明 |
| アナログ入力(A IN) | ●日射計と温度計(PT100)を1台ずつ直接接続可能 ●日射計入力は0-20mVまで入力可能 ●温度計(PT100)は三線式入力で-20~100℃まで測定可能 ●デジタル回路部とは絶縁仕様(ただし日射計-温度計間は非絶縁) |
ピンアサイン
センサー接続ゲートウェイのアナログ入力(A IN)のピンアサインについて説明します。
アナログ入力(A IN)

アナログ入力(A IN)のコネクタ部分
| 設置タイプ | コネクタ部型番 |
| センサー接続ゲートウェイ(AX30) | DINKLE社 プリント基板用コネクタ 0177-3107 |
アナログ入力(A IN)のピンアサイン
| ピン番号 | ピンアサイン | 内容 |
| 1 | AIN 0+ | AX30-A70JP-10:4-20mAセンサ入力0+ AX30-B70JP-10:日射計入力+ |
| 2 | AIN 0- | AX30-A70JP-10:4-20mAセンサ入力0- AX30-B70JP-10:日射計入力- |
| 3 | AIN 1+ | AX30-A70JP-10:4-20mAセンサ入力1+ AX30-B70JP-10:温度計入力A |
| 4 | AIN 1- | AX30-A70JP-10:4-20mAセンサ入力1- AX30-B70JP-10:温度計入力B |
| 5 | AIN 1b | AX30-A70JP-10:未使用 AX30-B70JP-10:温度計入力b |
| 6 | FG | フレームGND |
| 7 | FG | フレームGND |
AIN入力仕様
4-20mAセンサ入力仕様(AX30-A70JP-10)
| 入力範囲 | 0-24 mA |
| 最大分解能 | 16 bit |
| 変換周期 | 約7.8 msec |
| 基準精度 | ±0.1 % (23℃±2℃時) |
| 温度係数 | ±0.02 %fs/℃ |
| 入力インピーダンス | 約250 Ω+ダイオード |
| 絶縁耐圧 | 1500 V(チャネル間は非絶縁) |
日射計センサ入力仕様(AX30-B70JP-10)
| 入力範囲 | 0-20 mV(感度定数 10 uV/W・m2換算時、最大日射 2000 W/m2まで) |
| 最小分解能 | 約 1.6 W・m2 |
| 温度特性 | ±0.2 %未満(-20~50℃時) |
| 応答時間 | 1 sec |
| 非直線性 | ±0.1 %未満 |
| 絶縁耐圧 | 1500 V(温度計とは非絶縁) |
温度計(PT100)センサ入力仕様(AX30-B70JP-10)
| 接続方式 | 三線式入力 |
| 測定範囲 | -20~100 ℃ |
| 分解能 | 0.1℃ |
| 精度 | ±0.3 ℃ |
| 温度係数 | ±0.02 %fs/℃ |
| 応答時間 | 1 sec |
| 絶縁耐圧 | 1500 V(日射計とは非絶縁) |
| センサ電流 | 約1 mA |
AIN読み取り値からの各種換算式
センサー接続ゲートウェイのアナログ入力(A IN)における読み取り値から、各種利用目的の値への換算方法について説明します。
4-20mAセンサー入力仕様(AX30-A70JP-10)

Iin:入力電流値(mA)
ADC:読み取り値
日射計センサー入力仕様(AX30-B70JP-10)

Vin:入力電圧値(mV)
ADC:読み取り値

P:日射量(kW/m2)
S:お使いになる日射計の感度定数(mV/kW/m2)
温度計(PT100)センサー入力仕様(AX30-B70JP-10)

Vin:入力電圧値(V)
ADC:読み取り値

Rt:温度計(PT100)の抵抗値(Ω)

T:温度(℃)
